为切实发挥标准对推动通信行业绿色低碳发展的支撑和引领作用,工业和信息化部组织编制了《通信行业绿色低碳标准体系建设指南(2023版)》。文件指出了,通信行业绿色低碳标准体系建设的总体要求、建设思路、建设内容,以及组织实施。
战略先导
“十四五”以来国家推行《“十四五”信息通信行业发展规划》《“十四五”工业绿色发展规划》《信息通信行业绿色低碳发展行动计划(2022—2025年)》等在内的一系列方案措施推动信息通信业绿色低碳发展。并提出到2025年,信息通信行业绿色低碳发展管理机制基本完善,节能减排取得重点突破,行业整体资源利用效率明显提升,助力经济社会绿色转型能力明显增强,单位信息流量综合能耗比“十三五”期末下降20%,单位电信业务总量综合能耗比“十三五”期末下降15%。
信息通信行业作为数字经济时代的战略性、基础性、先导性行业,是推动绿色低碳循环发展、建设生态文明的重要支撑者。“十四五”时期,我国数字经济已迈向深化应用、规范发展和普惠共享的新阶段,信息通信行业绿色低碳发展已成为高质量发展的鲜明底色。为统筹推进国内国际标准化工作,持续完善通信行业绿色低碳标准体系,切实发挥好标准对于推进通信行业绿色低碳转型的支撑和引领作用。预计到2025年,完成制修订50项以上绿色低碳方面的国家标准、行业标准和团体标准,初步完善通信行业绿色低碳标准体系建设,进一步调整优化标准供给结构。
体系内容
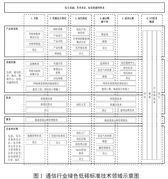
为了更直观地展现标准体系各类标准相互之间的关联关系,绘制了通信行业绿色低碳标准技术领域示意图(见图1)和通信行业绿色低碳标准体系框架(见图2),以明确其在绿色低碳方面涉及的标准化工作范围。

本体系从节能、资源综合利用、绿色制造、碳达峰碳中和、共建共享、基础设施建设运维、ICT技术赋能七大关键建设内容展开,具体介绍每一项所涉及的具体范围,以及目标方向。

标准清单
此外,该文件还围绕七大关键建设内容发布了《通信行业绿色标准清单》,列出共132项技术规范。其中包括诸如通信产品节能分级导则、通信产品能耗测试方法通则、废弃通信产品再使用技术要求、废弃通信产品有毒有害物质环境无害化处理技术要求等在内的已发布标准,以及包括信息通信制造业智能化绿色制造技术要求和实施规范、绿色设计产品评价规范光网络终端、绿色设计产品评价技术规范通信基站天线、绿色设计产品评价技术规范光缆等在内正在制定中标准。
总的来说,标准体系的构建将对通信产品和服务的研发、生产、使用、废弃等多个环节产生深远影响。促使企业在技术创新和生产流程中更多考虑环保因素。激发通信企业进行更为可持续地产品设计和制造,推动产业链上下游的全面升级。随着社会对绿色可持续发展的关注不断升温,企业的环保形象将成为消费者选择产品和服务的一个重要考量因素。因此,通过积极响应并实施绿色低碳标准,通信企业将提升其社会责任形象,增强在市场中的竞争力。
